Homepage
|
Add to Favorites
|
Traditional Chinese
|
中文
Home
About Us
News
Honor
Products
Case
Recruitment
Feedback
Contact Us
Product Category
Time attendance system
No sub
Access control system
No sub
time attendance access control
No sub
Cameras Surveillance
No sub
Accessories
No sub
Fingerprint scanner
No sub
Lock
No sub
POS
POS Peripherals
POS Terminal
Smart Home Security
No sub
Contact Us
Products
Location:Home > Products
Product
>> All products
Number:
12411254316
Product Name:
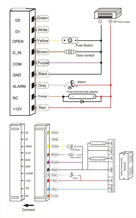
Waterproof Fingerprint Access Control Device
Specification:
Product Notes:
Product Category:
Access control system
Description
Hits:2455 Input time:2019/12/4 【
Print this page
】 【
Close
】
links:
Technical Support:
chuge8
粤icp备15014488号-1